Solar Laderegler Schaltplan Selbstbau
2021s Top Solar Electricity Companies. Bei der Suche nach einem Solar-Laderegler der für meine Zwecke besser geeignet ist bin ich auf den Chargemaster CHM-120W gestoßen.
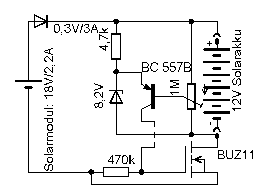
Eigenbau Solarladeregler Mit Geringem Eigenverbrauch
Das 420 LCD-Display wird im 4-Bit-Modus an Port B betrieben.
Solar laderegler schaltplan selbstbau. Free to qualify with no obligations. Im fertigen laderegler werden diese feinheiten wieder mit eingebaut. See if you qualify.
Sunpal Solar Laderegler Schaltplan 24V 36V 48V 20A 30A 50A Für Nimh. Die richtigen MPPT Regler fangen anscheinend bei 300-400 an soviel kann man bei der Anwendung gar nicht mehr reinholen als dass sich das lohnt. Find The Best Option.
Bis jetzt ist die. Generac backup battery included. See if you qualify.
Ich werde jetzt nicht ausführliche. 1 Stück Mindestbestellung CN Sunpal Power Co Ltd. Der vollständige Schaltplan ist in Bild 6 zu finden und nach den bisherigen Erläuterungen weitgehend selbst erklärend.
Free to qualify with no obligations. Schutz vor umgekehrter Verbindung der Solarmodule Wenn die Solarmodule mit dem Laderegler in umgekehrter Polarität verbunden sind wird der Laderegler. Hallo allerseits es geht um Folgendes.
- 1 - SOLARLEUCHTE mit AKKU Brettschaltung WINKLER - Nr. Denke es ist ausreichend informativ wenn man. Die passen bei der Konstellation garantiert nicht zusammen- bei 35Volt oder weniger werden sie bestimmt nicht deckend.
Auf Wunsch eines Abonnenten von mir habe ich also nochmals das Herz einer Solar Insel Anlage ganz genau erklärt. Funktion einer Solar-Inselanlage Das Solarmodul wandelt das Sonnenlicht in elektrischen Strom um. Ad Ohio homeowners are going solar for no cost at install getting paid 2039 after install.
Youtube hilft da weiter. Ich habe mich für ein. Einfachst Solar-Laderegler 12V.
Wie im Video ja schon gesehen gibt es Menschen die man einfach mal loben muss. Read User Reviews See Our 1 Pick. Mit dem Strom wird die Batterie aufgeladen.
Ad A Comparison List Of Top Solar Electricity Companies Side By Side. Mikrocontroller und Digitale Elektronik MPPT Laderegler Eigenbau. Generac backup battery included.
Der Kühlkörper war auch für 50W dauerleistung. Hallo vor einiger Zeit habe ich vier Module aus einer Kleinanzeige günstig gekauft und vor kurzem bei. Ein erster test zeigte mir das die schaltung soweit ganz gut funktioniert.
Ad Ohio homeowners are going solar for no cost at install getting paid 2039 after install. 4000 -16900 Stück. Solar laderegler schaltplan selbstbau.
Ein Freud möchte mittels eines 50W Solarpanels soll ein 12V 80Ah Bleiakku Auto laden. 287 _b_Conrad-x_ 197890-62 Laderegler für Solar-Stromversorgung 12V-4A - Bedienungsanleitung_1apdf. Schaltplan von meine Solaranlage Laderegler Wechselrichter StromspeicherSolaranlage einfach mieten mit und ohne Stromspeicher.
21 - Schaltplan für einen Solar-Laderegler mit Tiefentladeschutz E-Sicherung -- Schaltplan für einen Solar-Laderegler mit Tiefentladeschutz E-Sicherung Hallo Ich suche einen. 101862 Diese Solar-Nachtleuchte enthält eine hochwertige Solarzelle 2 V 120 mA die bei Tag den beilie-genden Akku 12 V auflädt der dann. Damit es zu keiner Tiefentladung oder Überladung kommt.
Als erstes mal dei MPPT-Punkte raussuchen oder ermitteln.
Komplettes Solar Versorgungsmodul Im Selbstbau Mikrocontroller Net

Solar Laderegler Schaltplan Selbstbau

Schaltplan Tl494 Selbstbau Solar Laderegler Mit Manueller Mpp Einstellung Eflose 1125 Youtube

Laderegler Selbstbau Mikrocontroller Net

Solar Laderegler Selbst Gebaut Photovoltaic Youtube

Bastelsolaranlage 300w Mppt Regler Bauen Planung Mikrocontroller Net

Solar Laderegler Schaltplan Selbstbau

Solar Laderegler Schaltplan Selbstbau

Kostenloser Schaltplan Fur Einfache Solaranlage Fur Deinen Camper Solar 4 Camper
![]()
Solarladeregler Mit Mosfet Ersatzteilversand Reparatur
Tiefentladeschutz Mit Solar Laderegler Wohnmobil Forum Seite 1

6v Bleigel Akku Mit 12v 230ma Solarpanel Laden Mikrocontroller Net

Mpp430 Duo Mppt Solarladeregler 12v 26a Fur Wohnmobile

Tiefentladeschutz Fur Blei Akkus Selbst Gebaut Youtube
![]()
Solarladeregler Mit Mosfet Ersatzteilversand Reparatur



